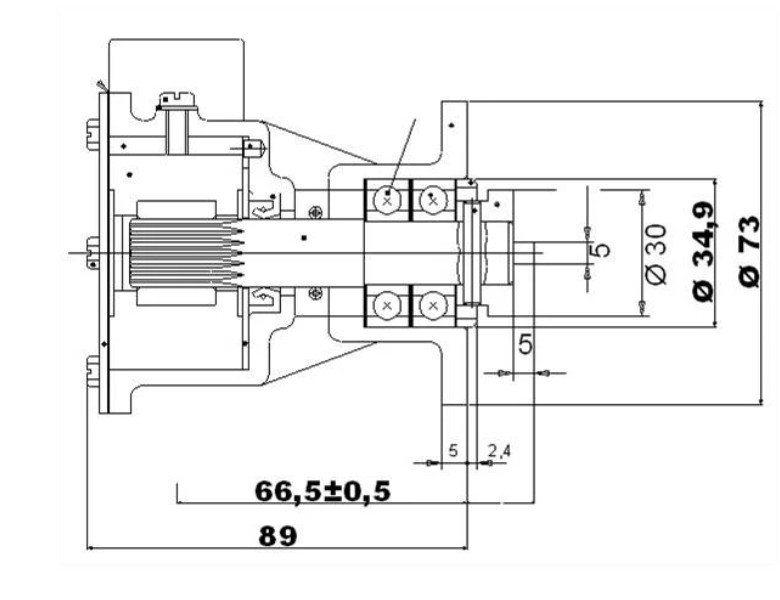
Peugeot Indenor Impellerpumpe DTN XDP 4.88 Peugeot Indenor XDP 4.90
ÜbersichtDiese Impellerpumpe passt zu den unten aufgeführten Motoren.
Peugeot DTP 40
Peugeot DTP 50
Peugeot DTP 62
Peugeot DTP 70
Peugeot XDP 4.88
Peugeot XDP 4.90
Achtung! Beim Indenor kommen zwei Modelle von Impellerpumpen zum Einsatz: die Jabsco-Variante und die Johnson-Variante. Dies ist die Johnson-Variante.




